Mazas, Campanas y Discos de Frenos

Mazas de rueda (Cubos)

Línea completa de mazas de ruedas para semirremolques y acoplados de servicio pesado. Fabricados en función nodular, utilizando la más alta tecnología en fundición y mecanizado, especialmente adecuados para un gran número de aplicaciones y especificaciones, incluyendo el uso de sistemas ABS/EBS. Baja tara y alta resistencia: mediante modernas tecnologías de simulación en diseño, materiales de alta calidad, logramos un producto con menor peso, pero con resistencia superior, aumentando el rendimiento y reduciendo el desgaste de todas las partes del sistema de frenos. Logrando el Mejor Costo Beneficio.

MAZAS BOERO

 DIMENSIONES EQUIVALENCIAS TIENDA
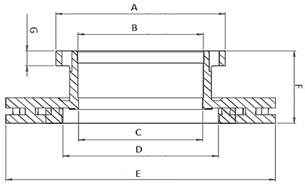
 ID FSM ID BOERO  DESCRIPCION A B C D E F Metrofund  
7105A1 PE0810050 Maza Boero dual modelo viejo 374,5 296,8 152,3 152,3 335 10×22,05
 7105A0  PE0810061 Maza Boero dual modelo actual 374,5  284,8   152,3 152,3  335 10×22,05  –   
 7106A1  PE0810004 Maza Boero SS modelo viejo   368  296,8  152,3  152,3  335 10×22,05  –   
 7106A0  PE0810056 Maza Boero SS modelo actual  368  284,8  152,3  152,3  335 10×22,05  –   
 7107A0 PE810022  Maza Boero freno a disco dual   375  281 152,3   152,3 335  10×22,05 10×16,25   811  
 7108A0 PE0810067  Maza Boero carreton 17,5″   266  182,75 152,3  152,3  225   10×22,05 804   
 7109A0  PE0810075  Maza Boero americana 10AG.  325  223 152,3  152,3    285,75  10×22,05  806  
 7109A1 PE0810013   Maza Boero americana 8AG.  325  223 152,3   152,3    275  8×22,05 –   
 7113A0  PE0810043  Maza Boero andina – Qmax  375  280,8 152,3   152,3   335  10×22,05 5×16  –  
 7114A0  PE0810076 Maza Boero artillera 6 rayos   470 284,85  152,3   152,3    324 425,5 6×16,5 6×20,5   818/1

RANDON

 DIMENSIONES PN ORIGINAL EQUIVALENCIAS TIENDA
 ID FSM ID BOERO  DESCRIPCION A B C D E F   Metrofund  
7117A0 PC0810000 MAZA Randon Outboard Rodamientos desiguales 370 284,95 139,95 159,95 335 10×22 304008475 831

Campanas de freno

Línea completa de tambores de freno para semirremolques y acoplados de servicio pesado. Fabricados en fundición gris, utilizando la más alta tecnología en fundición y mecanizado, con materiales de primera calidad en su composición, logrando una aleación con mayor disipación térmica y resistencia mecánica, haciendo así que el frenado sea más eficiente y seguro. El tambor de freno absorbe el calor de la fricción de frenado y su excelente disipación térmica minimiza las vibraciones que causan la fatiga de las piezas y reducen el rendimiento. Logrado mediante importantes inversiones en nuevas tecnologías y también a un riguroso sistema de calidad (normas IATF 16949). Como resultado, se logra una vida útil más larga para el tambor de freno, la cinta de freno y el neumático. 

CAMPANAS BOERO

 DIMENSIONES EQUIVALENCIAS
TIENDA
 ID FSM ID BOERO DESCRIPCION D P A L CA DA Neotruck Tome Metrofund  
3155A0 PE0820030 BOERO DIS 10AG 8″ 2012+ 419,2 207 285 286,5 331,3 10×24 8235/6558 T-570 766
3145B0 PE0820026 BOERO DIS 10AG 8″ 2011- 419,2   221  298 293   335 10×24  8205E   T-531  –  
3156A0 PE0820007 BOERO SS 7″ 2013+ 419,2   182  285  231,5  335 10×24  –  T-574  –  
3156A1 PE0820005 BOERO SS  7″ 2012- 419,2   190  298  228  335 10×24  8425  T-425  –
3137A0 PE0820039 BOERO ART 5R 419,2   213  241,3  247  285  5×20,5 6X17  8205D  T-042  682  
3139A0 PE0820009 BOERO Q-MAX/ART 6R 2017+ 419,2   224  285  246  324 5X17,5 6X17,5  8233  T-245  765
3159A0 PE0820035 BOERO CARR 17,5″ 2016+ 311,15   202  183  265  225 10×24  –  –  –  
3160A2 PE0820004 BOERO DIS 7″ EJES PM 419,2  188  298  260  335 10×23,5   8205B  –  693

 

CAMPANAS REMOLQUES / ACOPLADOS

 DIMENSIONES EQUIVALENCIAS
TIENDA
 ID FSM ID BOERO DESCRIPCION D P A L CA DA Neotruck Tome Metrofund Frum Durametal  
3145A1 PE0820084 Universal 8″ 10 AG 418 214 374 287 335 10×23 8235/6558 T-531 694 06255E
3139A1 PE0820009 RANDON 8″ INBOARD 5AG 419,2   215  298 245   324 5×17,5 6×17,5 8205E  T-245  765 3690 06252   
3155A0 PE0820030 RANDON 8″ OUTBOARD 10AG. 419,2   207  285  286,5  331,3 10×25  8235/6558 T-570  766  – 06255  
3160BO PE0820088 HENDRICKSON 7″ 419  213  285  269  335 10×24  –  – – 

 

Disco de freno

Producidos en fundición gris de alta calidad con composición química PREMIUM que garantizan, máxima eficiencia combinada con un frenado seguro y cómodo. Fabricados con la más alta tecnología en fundición y mecanizado, logrando una superficie de contacto perfectamente mecanizada para una buena fricción con las pastillas, aumentando el rendimiento del sistema de frenos y minimizando las vibraciones y ruidos no deseados. La calidad de los materiales y la composición química de los discos de freno marcan la diferencia en la vida útil de las piezas, reduciendo el riesgo de grietas, deformaciones, corrosión y aumentando la resistencia al choque térmico en contacto directo con el agua. Logrando mayor durabilidad y resistencia y por lo tanto el Mejor Costo Beneficio. Aptos para ABS.

 DISCO DE FRENO

 DIMENSIONES EQUIVALENCIAS TIENDA
 ID FSM ID BOERO DESCRIPCION A B C D E F CERCENA  
10160 PE0820027 DISCO DE FRENO BOERO/AGRALE 270 200 198 248 430 131 DFC 008

Para más información y modelos de buses y camiones, consultar en www.fundicionsm.com.ar

¿Dudas?

Pongámonos en Contacto